Passive Mixers in Downconverter Applications

By Douglas Stuetzle, Tom Schiltz, Bill Beckwith, Xudong Wang

Contributed By Convergence Promotions LLC

While most downconverting mixer designs typically use an active or current-commutating topology, new passive mixer ICs can deliver markedly better performance with comparable linearity.

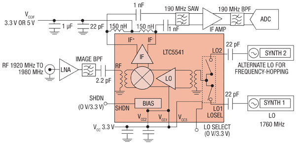
The LTC554x family of passive downconverting mixers covers frequencies from 600 MHz to 4 GHz and delivers high conversion gain and low noise figure (NF) with high linearity. These mixers are targeted at wireless infrastructure receivers which require a high gain mixer to overcome the high insertion loss of today's high-selectivity IF SAW filters. While legacy passive mixers typically have 7 dB of conversion loss, the new LTC554x mixers have integrated IF amplifiers, as shown in Figure 1, which produce 8 dB of overall conversion gain. This allows an additional 15 dB of IF filter loss, while still enabling the receiver.

Figure 1: LTC554x passive mixer in a receiver application.
Figure 1: LTC554x passive mixer in a receiver application.

Active versus passive mixers

Most integrated-circuit mixers are based on an active or current commutating topology. Linear Technology has a wide portfolio of active mixers, such as the LT5527 and LT5557, which are widely accepted due to their ease of use and low power consumption. Nevertheless, their 2 dB to 3 dB of conversion gain is not enough for some wireless infrastructure designs. Furthermore, active mixers typically exhibit higher NF than passive mixers with comparable linearity. LTC554x mixers employ a passive mixer core to achieve the lowest NF with high linearity. Table 1 compares the performance of the LTC5541 passive mixer to the LT5557 active mixer. As shown in the table, the passive mixer has approximately 5 dB higher gain, 2 dB lower NF, and 1.7 dB higher IIP3. The LT5557, however, has much lower DC power consumption.

PART GAIN (DB) NF (DB) IIP3 (DBM) INPUT P1DB (DBM) DC POWER (MW)
LTC5541 (passive) 7.8 9.6 26.4 11.3 630
LT5557 (active) 2.9 11.7 24.7 8.8 270
Table 1: Active versus passive mixer comparison at 1.95 GHz.

Large-signal noise figure

Another important mixer performance parameter is large-signal noise figure. The NF of a mixer is the ratio of the input S/N to the output S/N, as in an amplifier. All mixers suffer from increased NF when driven with high level RF signals. This phenomenon is also referred to as "noise figure under blocking" in receiver applications, where the "blocking" signal is a high-amplitude signal in an adjacent channel. The elevated noise figure occurs because the mixer’s output noise floor is proportional to the RF input amplitude multiplied by the LO path noise (ARF • NLO).

There are many times when a receiver needs to detect a weak signal in the presence of strong blocker. If the blocker causes the noise floor to rise sufficiently, then the desired weak signal could be lost in the noise. Figure 2 shows NF versus RF input power for the LTC5540. The NF approaches the small-signal value at low input levels, but as the RF signal power is increased, the ARO • NLO contribution becomes dominant, and the NF increases. With a high RF input level of +5 dBm, and a nominal LO power of 0 dBm, the NF increases only 6 dB from the small-signal value to 16.2 dB. It is also apparent from the graph that the large-signal noise improves with higher LO power level, thus even better performance can be realized if necessary.

Figure 2: LTC5540 noise figure versus RF blocker level.
Figure 2: LTC5540 noise figure versus RF blocker level.

While elevation of the noise figure cannot be totally eliminated, performance can be improved through careful design. All of the parts in the LTC554x family exhibit excellent large-signal noise figure behavior, as shown in Table 2.

PART RF Frequency (MHZ) LO Injection Small-Signal NF (DB) Large-Signal NF (DB)
LTC5540 900 High-Side 9.9 16.2
LTC5541 1950 Low-Side 9.6 16.0
LTC5542 2400 Low-Side 9.9 17.3
LTC5543 2500 High-Side 10.2 17.5
Table 2: Active versus passive mixer comparison at 1.95 GHz.

Calculated performance comparison in a receiver chain

The benefits of these new passive mixers are demonstrated in the following receiver chain analysis. A typical, single-conversion base station receiver line-up is shown in Figure 3, and is used to compare the overall system performance when the LT5557 active mixer is used to the same receiver using the new LTC5541 passive mixer (see Table 3). The LTC6400-26 IF amplifier, with 26 dB of gain, is used with the LT5557-based line-up, and LTC6400-20, with 20 dB of gain, is used with the LTC5541-based line-up. This keeps the overall receiver gain nearly the same for both cases. A high-selectivity SAW filter is used at the mixer’s output in each case, as required by the high-performance base station. As shown in Table 3, the receiver line-up using the LTC5541 passive mixer has 0.76 dB lower NF and 1.6 dB higher IIP3. This results in higher signal-to-noise ratio (SNR) and spurious-free dynamic range (SFDR) for the LTC5541-based receiver.

Figure 3: Typical wireless base station receiver line-up comparison.

Figure 3: Typical wireless base station receiver line-up comparison of an LT5557-based receiver and an LTC5541-based receiver.

LINE-UP GAIN (dB) NF (dB) IIP3 (dBm)
LT5557-Based 35.0 4.03 -1.6
LTC5541-Based 33.9 3.27 0.0
Table 3: Cascaded receiver performance summary.

Measured performance comparison in a transmitter DPD application

In its simplest form, a single-conversion digital receiver consists of a downconverting mixer, a lowpass or bandpass filter, and an analog-to-digital converter (ADC). This type of receiver can be used as a digital pre-distortion (DPD) receiver in high linearity base station transmitters. In this application, the most important performance parameters are linearity, gain flatness, wide IF bandwidth and, of course, simplicity. Unlike the receiver application described earlier, NF is not critical in DPD applications due to the high-amplitude signal coupled from the transmitter output. The LTC554x mixers are ideal candidates for use in DPD receiver applications due to their high linearity, high conversion gain, and flat IF output response versus frequency.

A prototype DPD receiver using the LTC5541 is shown in Figure 4. This receiver was built and tested for a 1.95 GHz application with a wideband IF of 185 MHz ± 60 MHz. For comparison, another receiver was built using the LT5557 active mixer. The LT5557-based DPD receiver required an external IF amplifier preceding the bandpass filter to make up for the 5dB lower gain of the active mixer. The primary advantage of the LTC5541 is that it eliminates the need for this IF amplifier. Furthermore, as summarized in Table 4, the LTC5541-based DPD receiver delivered a higher SNR, higher IIP3, and lower harmonic distortion.

Figure 4: Prototype DPD receiver block diagram.
Figure 4: Prototype DPD receiver block diagram.
Mixer 0.5 DB if BW Input Level at -1 DBFS SNR at -1 DBFS HD2 at -7 DBFS IM3 at -7 DBFS
LTC5541 126 MHz -0.6 dBm 63.4 dB (120 MHz) -54.5 dBc @ 123 MHz
-78.2 dBc @ 184 MHz
-69.5 dBc @ 243 MHz
-64.8 dBc
LT5557 130 MHz -1.8 dBm 62.8 dB (120 MHz) -52.4 dBc @ 123 Mhz
-63.1 dBc @ 184 MHz
-67.4 dBc @ 243 MHz
-58.0 dBc
Table 4: Prototype DPD receiver measured results (RF=1950 MHz, IF=185 MHz).


Conclusion

The new LTC554x family of passive downconverting mixers delivers the high performance needed for today’s wireless infrastructure receivers. The mixers’ combination of high conversion gain, low NF, excellent NF under blocking, and high linearity can improve overall system SNR and SFDR. The excellent performance also contributes to improved DPD receiver performance while the 600 MHz to 4 GHz frequency coverage of the LTC554x family makes them useful in a wide variety of receiver applications.
Convergence Logo

Disclaimer: The opinions, beliefs, and viewpoints expressed by the various authors and/or forum participants on this website do not necessarily reflect the opinions, beliefs, and viewpoints of DigiKey or official policies of DigiKey.

About this author

Douglas Stuetzle

Article authored by Douglas Stuetzle of Linear Technology.

Tom Schiltz

Article authored by Tom Schiltz of Linear Technology.

Bill Beckwith

Xudong Wang

About this publisher

Convergence Promotions LLC