Charge Pumps Cut Switched Converter Costs

By Steven Keeping

Contributed By Electronic Products


Switching DC/DC converters are popular for voltage regulation in portable designs because they are flexible and efficient. However, there are some downsides; in particular, the devices need a relatively large and expensive inductor for energy storage.

One alternative is the Low-Dropout (LDO) linear DC/DC converter, which does not use high frequency switching and can, therefore, dispense with the inductor. However, these devices are inherently inefficient if the difference between input and output voltage is large, and can operate only in a step-down voltage (“buck”) configuration.

Another switching alternative offers much of the efficiency of the inductor-based design and uses a capacitor as the switching element, saving cost and space.

This article considers the advantages of switching-capacitor DC/DC converters (“charge pumps”) and suggests applications where they may be a better choice than switching inductor chips. Integrated solutions (including onboard regulation) from Maxim, Exar, and Texas Instruments are described as examples of the latest devices available to the design engineer.

Trimming the inductor bulk

Charge pump DC/DC converters have been available for many years, but with all the excitement over the latest high frequency, efficient, and compact inductor-based voltage regulators, these switched capacitor designs are often overlooked. For many applications, charge pumps are a good choice.

Switching DC/DC converters have become very popular because they are more efficient than linear designs. Linear converters have their place (see TechZone article “High Efficiency, Low Voltage Conversion with Single Supply Operation from an LDO Regulator”), but are inefficient if the voltage difference between input and output is large. The resistor element that drops down the voltage dissipates a lot of power and generates heat.

A modern switching regulated device uses high-frequency pulse width modulation (PWM) to “tune” the duty cycle of the circuit and minimize power dissipation. During the “off” part of the PWM cycle, energy is provided to the load from an energy storage element. Inductors are the favored choice because they feature theoretically lossless energy storage (in reality there is some loss because an inductor does have a small resistance and capacitance).

The downside is that the inductor tends to be bulky (unless the switching frequency is high – which introduces other challenges, such as unwanted magnetic fields or EMI) and expensive. (See TechZone article “The Inductor’s Role in Completing a Power Module-Based Solution.”)

The capacitor is an alternative energy storage element for a switching converter. Capacitors are more “lossy” than inductors, so if the designer is looking for the highest efficiency converter, a switched capacitor design may not be an answer. If the engineer is prepared to trade some efficiency for a simpler circuit, component cost saving (capacitors are five to ten times cheaper than inductors), more compact design (and five to ten times smaller), and far fewer electromagnetic interference (EMI) challenges, then the switch could be worthwhile. If the design also benefits from low equivalent series resistance (ESR) capacitors, efficiency (with the added benefit of lower output voltage ripple) will be higher.¹

Simple operation

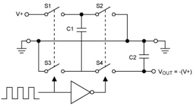
The basic topology of a charge pump is very simple. Figure 1 shows a Maxim ICL7660, which some consider the prototype of the classic charge pump. This chip integrates switches and the oscillator so that the switches S1, S3 and S2, S4 work alternately. The circuit shown in the figure inverts the input voltage, but with a slight change in the external connections, the input voltage can be doubled or halved at the output. Modern chips can also fractionally divide or scale the input voltage or even generate arbitrary voltages depending on the controller and topology.

Basic topology of a charge pump

Figure 1: Basic topology of a charge pump (Courtesy of Maxim).

In operation, closing S1 and S3 charges the flying capacitor, C1, to V+ in the first half cycle. Then, in the second half, S1 and S3 open and S2 and S4 close, connecting the positive terminal of C1 to ground and the negative terminal to VOUT. C1 then operates in parallel with the reservoir capacitor C2. If the voltage across C2 is smaller than that across C1, charge flows from C1 to C2 until the voltage across C2 reaches the inverted value of V+.

This simple charge pump features no output regulation and a constant switching frequency. Consequently, the output voltage will drop as the load increases so the output current is limited to about 10 mA. Maxim does offer pin-compatible devices, such as the MAX1680, that switch at a higher frequency, use smaller capacitors, and offer up to 125 mA. The company has produced an Application Note² that provides more detail on charge pump circuits, including how to work out a device’s power consumption.

Regulated charge pumps

As noted above, the basic charge pump lacks regulation. Such regulation is virtually a prerequisite for converters used to supply the sensitive silicon of today’s portable products, so manufacturers now offer plenty of chips with it built in.

An integrated LDO linear regulator performs regulation if low output noise is critical, or, if efficiency is more important, a charge-pump modulator does the job. The latter technique controls the switch resistance and provides higher efficiency and greater output current for a given die size (or cost).

Exar, for example, offers the SP6661, a high frequency charge pump that either inverts or doubles the input voltage. When used as a voltage inverter, a 1.5 to 5.0 V output can be produced from a 1.5 to 5.0 V input. As a voltage doubler, a 5.0 to 10.0 V output can be provided from a 2.5 to 5.0 V input. The chip can supply an output voltage of up to 200 mA.

According to Exar, the SP6661 is suitable for battery-powered and board-level voltage conversions and offers an efficiency of >90 percent over most of its load-current range. Typical applications are medical instruments and handheld and laptop computers.

Texas Instruments (TI) offers a wide range of charge pumps, including the TPS60150. This chip can provide a regulated low-noise and low-ripple output voltage of 5 V from a 2.7 to 5.5 V input (Figure 2). The maximum output current is 140 mA, and the company says efficiency is greater than 70 percent for input voltages less than 3.2 V. Applications include cellphones, personal digital assistants (PDAs), and handheld meters.

Input voltage vs. output voltage

Figure 2: Input voltage vs. output voltage at various loads for TI’s TPS60150 charge pump.

In summary

Switched-capacitor DC/DC converters are alternatives to inductor-based designs when the engineer is looking for a simple, low cost, compact power supply without the hassle that comes with an inductor’s potential EMI issues.

Most applications are in battery-based systems, such as cellphones, pagers, portable electronic equipment, and handheld instrumentation. Another major application is to power white LEDs for backlighting LCD panels (Figure 3) where charge pump technology provides the power required to drive multiple LEDs having regulated constant current for uniform brightness intensity.

Charge pump power supplies

Figure 3: Charge pump power supplies are popular for LCD TV backlighting (Courtesy of OSRAM).

References:
  1. “High Efficiency Charge Pump Based DC-DC Converter for Wide Input/Output Range Applications,” Rong Guo, North Carolina State University.
  2. “DC-DC Conversion without Inductors,” Maxim Application Note 725, July 2009.

Disclaimer: The opinions, beliefs, and viewpoints expressed by the various authors and/or forum participants on this website do not necessarily reflect the opinions, beliefs, and viewpoints of DigiKey or official policies of DigiKey.

About this author

Image of Steven Keeping

Steven Keeping

Steven Keeping is a contributing author at DigiKey. He obtained an HNC in Applied Physics from Bournemouth University, U.K., and a BEng (Hons.) from Brighton University, U.K., before embarking on a seven-year career as an electronics manufacturing engineer with Eurotherm and BOC. For the last two decades, Steven has worked as a technology journalist, editor and publisher. He moved to Sydney in 2001 so he could road- and mountain-bike all year round, and work as editor of Australian Electronics Engineering. Steven became a freelance journalist in 2006 and his specialities include RF, LEDs and power management.

About this publisher

Electronic Products

Electronic Products magazine and ElectronicProducts.com serves engineers and engineering managers responsible for designing electronic equipment and systems.