Maker.io main logo

NES Emulator for RP2040 DVI Boards

612

2024-02-06 | By Adafruit Industries

License: See Original Project Raspberry Pi SBC RISC-V Raspberry Pi MCU

Courtesy of Adafruit

Guide by Phillip Burgess

Overview

board_1

 

Nearly 40 years on, the original Nintendo Entertainment ‎System (or Famicom in Japan) still holds a certain mystique, with ‎genre-defining games like Super Mario Bros. and The Legend of ‎Zelda. The console remains a popular target for emulation, which is ‎what we’ll do here on the bonkers-‎affordable RP2040 microcontroller paired with an HDMI TV or ‎monitor for display, and with several controller options (including, ‎with a little soldering work, original NES controllers for That ‎Authentic Feel).‎

The software for this guide is Frank Hoedemakers’ pico-‎infonesPlus — a veritable rock soup of contributions, starting from ‎Jay Kumogata’s InfoNES, ported to RP2040 by Shuichi Takano ‎‎(building on Luke Wren’s PicoDVI library), Frank’s work on the SD ‎card menu, and some controller code from Adafruit. That’s a lot of ‎pieces…but we have ready-made .UF2 files to make installation easy ‎on various hardware combos!‎

Hardware Selection

There are a few ways this can be built; please read through the ‎guide to see what your options are. Parts links are provided as we ‎go. Think about how you might use this…and whether and how you ‎may want to re-use elements for other DIY projects later.‎

One path uses the Adafruit Feather RP2040 DVI board and SD card ‎FeatherWing. Other paths use the Raspberry Pi Pico development ‎board and either a Pimoroni Pico DV Demo Base or a Adafruit ‎DVI and Micro SD breakout boards. In any case, there may be some ‎additional bits and bobs needed — soldering iron and related ‎paraphernalia, USB cables depending on the path taken, and so ‎forth. These are discussed later, so again, please read through.‎

There are also different controller options: Sony DualShock 4 or ‎DualSense USB controllers, NES or SNES gamepads (with some ‎soldering), or Wii Classic Controller, each with some pros and cons ‎which we’ll explain.‎

All the different builds require a microSD memory card for holding ‎game ROM files. NES games are comparatively tiny, so if you have ‎an old card lying around that’s “too small for anything useful,” this is ‎its moment to shine.‎

An HDMI cable and TV or monitor are also assumed.‎

Controllers

Already, a fork in the road: choosing a controller. How do you want ‎this to feel in your hand? What might you have around already, or ‎how much fuss to invest?‎

USB Controllers

pico-infonesPlus can work with Sony DUALSHOCK ‎‎4 or DualSense controllers (via USB cable). These are not ‎inexpensive…but maybe you already have one on hand.‎

A downside to USB-based controllers with this project is that they do ‎have a bit of lag; not ideal for fast-twitch shooters but may suffice if ‎RPGs and casino games are more your style.‎

controllers_2

In addition to the controller itself, you’ll need a USB OTG cable to ‎adapt the controller’s USB-A plug to the receptacle on the ‎microcontroller board. This controller option might be easiest with ‎the Pico DV Demo Base, since that board has its own USB ‎connector for power, leaving the Pico RP2040 board’s USB micro-B ‎port free. For other boards, you’d need a USB OTG splitter cable with ‎both a USB-A port and a second port (USB micro-B or USB-C ‎depending on the board) for feeding power.‎

NES and SNES Gamepads

If you’re comfortable with a little bit of wiring and soldering, it’s ‎possible to use original NES and Super Nintendo (and compatible) ‎controllers, and they’re super responsive with the emulator, no ‎perceptible lag.‎

To use these controllers unmodified, you’ll need to source the ‎corresponding sockets, which can be found on eBay. Check where ‎you’re buying from and understand parts may take a few weeks to ‎arrive if overseas.‎

controllers_3

A different route is to forego the game port, cut the end off a ‎controller and hard-wire it directly into the circuit. You lose the ability ‎to ever use that controller with an actual console or other emulator ‎in the future.‎

Note: Although Super Nintendo controllers are supported, the ‎emulator itself can only handle original NES games, of the non-‎Super variety.

Wii Classic Controller

This controller was an adjunct to the Nintendo Wii “Nunchuk,” but is ‎possible to use it on its own with this breakout adapter and a bit of ‎wiring or a STEMMA QT cable. This too is a highly responsive ‎controller.

controllers_4

Support for the Wii Classic Controller is currently only enabled on ‎the Feather RP2040 DVI, as that board has the STEMMA connector ‎built in. It could be enabled on other boards if building from source ‎and an I2C-capable pair of pins are free (this may be challenging, as ‎nearly every pin is already assigned to something.)‎

Using Feather RP2040 DVI

The first hardware option, and smallest overall, uses the Feather ‎RP2040 DVI and Adalogger FeatherWing. This is also the only ‎option supporting the Wii Classic Controller by default.‎

The Adalogger FeatherWing provides the microSD card slot used for ‎holding games. This board also supports a battery-backed Realtime ‎clock, not used by this project; battery neither included nor required ‎here.‎

It’s common in some Feather projects that the ’Wing stacks on ‎top…but here, in order to access the Feather’s STEMMA port and boot ‎and reset buttons, a different approach should be taken, your choice:‎

  • Stack the Feather board on top of the ’Wing using header row ‎pins (Feather) and sockets (Wing)…low-profile headers/pins are ‎available if you want a slimmer package. Soldering the two ‎permanently (using just header row pins, no sockets) is the ‎slimmest of all options, but blocks access to the battery socket ‎and limits how this might get re-used in future projects
  • Use a FeatherWing Doubler or Tripler to mount the boards ‎side-by-side (see image below). A little extra bulk and cost but ‎has better re-use potential later.‎

These are required parts for this variant:‎

And these parts are optional, picking and choosing which suit your ‎build plans:‎

feather_5

There’s no One Hard Rule to follow for this build. Here it is with a Wii Nunchuck Adapter to a Wii Classic ‎Controller.

A FeatherWing Doubler would suffice in this case — or stack Feather atop the ’Wing — but a ‎Tripler was among parts on hand.‎

Input Options

To use a Wii Classic Controller:‎

To use one of the supported Sony USB controllers:‎

  • A suitable USB-OTG splitter cable is needed; this is something ‎we don’t stock but can be found online. Look for USB-C plug for ‎the Feather, USB-A socket for the controller, and then whatever ‎connector you would prefer for connecting power (USB micro-B ‎and USB-C are common). ‎

To use NES or SNES compatible gamepads:‎

  • This is not plug-and-play and will require a ‎little soldering and creativity. You might need to “blue wire” to ‎a few header edge pins on the Feather board, or add ‎a FeatherWing Proto to the stack (or FeatherWing Tripler if ‎mounting boards side-by-side)
  • Wire up a NES or SNES controller port (these can be found on ‎eBay)…or, if you don’t mind sacrificing a junky controller, cut ‎the plug off and wire directly between the circuits
  • Connections are:‎

table_6

ports_7

The ports are shown here from the front; wire order is mirrored if ‎looking at the back.‎

Software

Here is a pre-compiled .UF2 file for the Feather RP2040 DVI. Install as ‎you would most .UF2 files: hold down the BOOT button while ‎tapping reset or when connecting USB, and the board appears to ‎your computer as a small flash drive called RPi-RP2. Just drag the ‎file over and allow it some time to complete the transfer.‎

piconesPlusFeatherDVI.uf2‎

If the RPi-RP2 drive does not appear on your computer, try a ‎different USB cable. Even in this modern age some devices come ‎bundled with a budget “charge only” cable, but this needs a proper ‎‎“charge and sync” cable.‎

Using Pico + DV Demo Base

With two USB ports, this might be the cleanest option for using one ‎of the supported Sony USB controllers. It also uses the super ‎economical Pico RP2040 board for the brains…maybe you already ‎have one!‎

There are several versions of the Pico board; with or without headers, ‎with or without wireless, any variant can work here. Wireless isn’t ‎used in this project, but if that’s what you’ve got on hand, the ‎board’s still compatible (only difference is you won’t see an LED ‎‎“heartbeat” on this board). If your Pico board doesn’t have headers ‎installed, you’ll need to add these, which involves a bit of soldering ‎‎(also, see notes later about headers and gamepads).‎

Input Options

Wii Classic Controller is not supported with this hardware combo.‎

To use one of the supported Sony USB controllers:‎

  • A common USB-OTG cable is needed, this is even something ‎we stock. USB micro-B plug, USB-A socket. Connect this to the ‎USB port on the Pico RP2040 board
  • Power the circuit through the Pico DV Demo Base’s USB micro-‎B socket.‎

To use NES or SNES compatible gamepads:‎

  • This is not plug-and-play and will require a ‎little soldering and creativity
  • If your Pico board already has headers installed, you might ‎need to “blue wire” to a few pins there. Or…‎
  • If your Pico does not yet have headers, you’ll need to add ‎these…but consider using extra-long male headers so you have ‎pins facing both up and down, and then use female jumper ‎wires to interface to the controller
  • Wire up a NES or SNES controller port (these can be found on ‎eBay)…or, if you don’t mind sacrificing a junky controller, cut ‎the plug off and wire directly between the circuits
  • Connections are:‎

table_8

ports_9

The ports are shown here from the front; wire order is mirrored if ‎looking at the back.‎

As with the Feather on the prior page, there’s no One Hard Rule to ‎follow for this build. Here are a couple variants: one with a USB-OTG ‎cable, another wired to an NES controller port (notice that long pin ‎headers were soldered to the Pico RP2040 board in the latter case — ‎it fits in a socket and has pins going “up” for jumper wires).‎

With a Pico H board, USB-OTG cable and USB controller, this is ‎the only zero-soldering option. Every other configuration requires a ‎little bit here and there.‎

pico_10

pico_11

Software

Here is a pre-compiled .UF2 file for the Pico DV Demo Base. Install as ‎you would most .UF2 files: hold down the BOOT button while ‎tapping RUN or when connecting USB, and the board appears to ‎your computer as a small flash drive called RPi-RP2. Just drag the ‎file over and allow it some time to complete the transfer.‎

piconesPlusPimoroniDV.uf2‎

If the RPi-RP2 drive does not appear on your computer, try a ‎different USB cable. Even in this modern age some devices come ‎bundled with a budget “charge only” cable, but this needs a proper ‎‎“charge and sync” cable.‎

Using Pico + Breakouts

breakouts_12

This combination uses breadboardable components if you’d just like ‎to mess around a bit before recycling everything into another project. ‎There’s also an option to use most of the same components in ‎a custom printed circuit board — this is the best and cleanest route ‎for using a NES or SNES controller and if you want ‎something permanent and purpose-built for the task.‎

Here are some of the parts used in this version of the project. You ‎might already have some of these around! Additionally, ‎common soldering bits-and-bobs (iron, solder, flush cutters, etc.) are ‎needed.‎

There are several versions of the Pico board; with or without headers, ‎with or without wireless, any variant can work here. Wireless isn’t ‎used in this project, but if that’s what you’ve got on hand, the ‎board’s still compatible (only difference is you won’t see an LED ‎‎“heartbeat” on this board).‎

This is one part that can’t move over directly; the breadboard build ‎requires headers, while the PCB build relies on the castellated pads ‎and must sit flat. Fortunately, Pico boards are super affordable like ‎popcorn, and there are tons of other cool projects to make if you end ‎up with a spare.‎

Other microSD adapter boards should work fine for breadboard use. ‎Some might have 5V input instead of 3.3V; power these from the ‎Pico’s VBUS pin rather than 3V3. For the custom PCB, confirm your ‎microSD adapter has a compatible pinout, or use the Adafruit ‎breakout board specifically.‎

Nothing special about this HDMI cable. If you have something ‎around already, use that!‎

Additional parts specific to different builds or controllers are ‎explained as we go…‎

Input Options

Wii Classic Controller is not supported with this hardware combo.‎

To use one of the supported Sony USB controllers:‎

  • A suitable USB-OTG splitter cable is needed; this is something ‎we don’t stock but can be found online. Look for USB micro-B ‎plug for the Pico board, USB-A socket for the controller, and ‎then whatever connector you would prefer for connecting ‎power (USB micro-B and USB-C are common).‎

To use NES or SNES compatible gamepads:

  • Wire up a NES or SNES controller port (these can be found on ‎eBay)…or, if you don’t mind sacrificing a junky controller, cut ‎the plug off and wire directly between the circuits.‎

The USB-OTG cable can be omitted if using an NES/SNES ‎gamepad. Conversely, the NES/SNES port (and connections ‎described below) can be omitted if using a USB controller.‎

Breadboard Method

Breadboarding’s great for temporary projects. If you play around ‎with this and decide you really like it and want something ‎permanent, almost everything can be moved over to the custom ‎PCB explained later. ‎

Note: For the breadboard build, the Pico board must have pin ‎headers. The PCB build must have no headers (but the other boards ‎do use headers in either case).‎

Here’s some additional parts used in the breadboard build. If you’ve ‎been doing electronics for a while there’s a good chance you have ‎most of this around already:‎

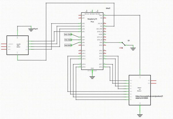
A visual breadboard representation:‎

visual_13

Notice the microSD clock SO and SI pins cross on their way over; ‎these are not in the same order on both boards.‎

The NES or SNES controller port is not directly breadboard-friendly; ‎you’ll need to solder on some jumper wires to make this work. The ‎ports are shown here from the front; wire order is mirrored if looking ‎at the back.‎

A schematic view if that’s easier to follow:‎

schematic_14

Or a pin-by-pin list of connections:‎

table_15

Any variety of momentary button/switch can be connected between ‎Pico RUN and any available GND pin to provide a reset button.‎

Custom PCB Method

Connecting everything on a purpose-made circuit board makes this ‎project robust. An NES or SNES controller can be used with a solid ‎connection to a physical port. Mounting holes facilitate installing in a ‎case if you like.‎

custom_16

This shows both the NES and SNES ports installed. You don’t need to ‎do this; one or other is fine, it’s up to you! ‎Unfortunately, there is no two-player support, but for single player ‎you can use whichever gamepad type you prefer.‎

  • ‎1 x SPDT Switch

The custom circuit board can be ordered from services such ‎as PCBWay, using files provided below. At the time this was written, ‎a set of 5 boards cost $22 USD plus postage. Most other small-run ‎PCB services should be able to work with these files (for a little ‎more, OSH Park has a very good reputation with hobbyists and ‎might arrive sooner for US addresses). Be patient and allow ample ‎time for panelization, production and shipping.‎

circuit_17

To get the PCB files, click the following link:‎

Download PicoNES PCB ZIP File

The PCB production service — PCBWay, OSH Park or other — will ‎ask for a ZIP file. Upload the still-compressed ZIP file and they should ‎be able to decode the board size and details and provide a quote.‎

If you previously built the breadboard version, the microSD and DVI ‎breakout boards will move right over. After soldering in place, the ‎long pins can be trimmed on the underside of the board. A fresh, ‎headerless Pico board must be used as this sits flat against the ‎PCB…tack down two pins at opposite corners and the rest should ‎proceed smoothly.‎

Software

Here is a pre-compiled .UF2 file for the Pico/breakout combo. Install ‎as you would most .UF2 files: hold down the BOOT button when ‎connecting USB, and the board appears to your computer as a small ‎flash drive called RPi-RP2. Just drag the file over and allow it some ‎time to complete the transfer.‎

piconesPlusAdaFruitDVISD.uf2‎

If the RPi-RP2 drive does not appear on your computer, try a ‎different USB cable. Even in this modern age some devices come ‎bundled with a budget “charge only” cable, but this needs a proper ‎‎“charge and sync” cable.‎

Mfr Part # 5710
ADAFRUIT FEATHER RP2040 WITH DVI
Adafruit Industries LLC
12,91 €
View More Details
Mfr Part # SC0918
RASPBERRY PI PICO W RP2040
Raspberry Pi
6,05 €
View More Details
Mfr Part # 5674
RPI PICO DV DEMO BASE
Adafruit Industries LLC
25,86 €
View More Details
Mfr Part # 4984
DVI BREAKOUT FOR HDMI SOURCE
Adafruit Industries LLC
1,68 €
View More Details
Mfr Part # 254
MICROSD CARD BREAKOUT 5V OR 3V
Adafruit Industries LLC
6,48 €
View More Details
Mfr Part # 131
SNES CONTROLLER
Adafruit Industries LLC
4,28 €
View More Details
Mfr Part # 4836
STEMMA QT WII NUNCHUCK ADAPTER
Adafruit Industries LLC
2,55 €
View More Details
Mfr Part # 4210
JST SH 4-PIN CABLE - QWIIC COMPA
Adafruit Industries LLC
0,82 €
View More Details
Mfr Part # 2890
FEATHERWING DOUBLER - PROTOTYPIN
Adafruit Industries LLC
6,48 €
View More Details
Mfr Part # 3417
FEATHERWING TRIPLER PROTO BOARD
Adafruit Industries LLC
7,34 €
View More Details
Mfr Part # 2922
ADALOGGER FEATHERWING - RTC + SD
Adafruit Industries LLC
7,73 €
View More Details
Mfr Part # 2884
FEATHERWING PROTO - PROTOTYPING
Adafruit Industries LLC
4,28 €
View More Details
Mfr Part # SC0917
RASPBERRY PI PICO H RP2040
Raspberry Pi
4,32 €
View More Details
Mfr Part # 1099
USB A RCPT TO MICRO B ON-THE-GO
Adafruit Industries LLC
2,16 €
View More Details
Mfr Part # 1951
JUMPER WIRE F TO F 3" 28AWG
Adafruit Industries LLC
1,68 €
View More Details
Mfr Part # 4682
MICROSD SPI/SPIO BREAKOUT BOARD
Adafruit Industries LLC
3,02 €
View More Details
Mfr Part # 608
CABLE M-M HDMI-A 1M
Adafruit Industries LLC
4,28 €
View More Details
Mfr Part # 2143
RASPBERRY PI CAMERA CABLE 1M
Adafruit Industries LLC
3,41 €
View More Details
Mfr Part # 1957
JUMPER WIRE M TO M 6" 28AWG
Adafruit Industries LLC
1,68 €
View More Details
Mfr Part # 1956
JUMPER WIRE M TO M 3" 28AWG
Adafruit Industries LLC
1,68 €
View More Details
Add all DigiKey Parts to Cart
Have questions or comments? Continue the conversation on TechForum, DigiKey's online community and technical resource.